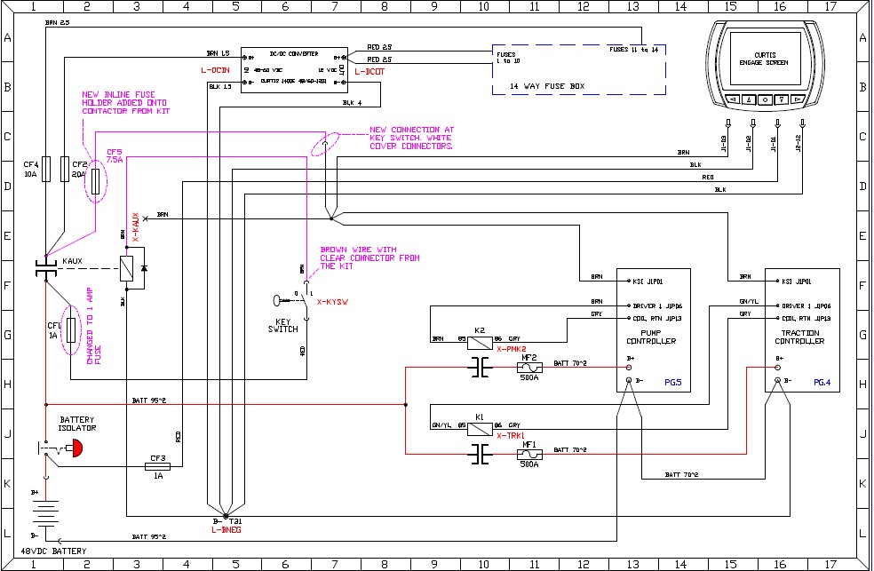
AME Key Switch Retro-Fit
This article will provide information on how to Retro-Fit the upgraded key switch
and loom on a MK2 Aislemaster.
Kit Number Required : 26EE0175
Parts included with the kit :
1x 26EE0164 Aisle Master Key Switch Retrofit Loom
1x 26EE0162 Aisle Master Key Switch
1x 26EE0163 Aisle Master Key Lock
1x 26EE0165 Aisle Master Keys (2 Keys)
Tools Required :
Crimping Tool
Snip Pliers
5mm Allen Key
4mm Allen Key
13mm Wrench
Adjustable Pipe Pliers
Phillips Screwdriver
- Depress the battery isolator switch
- Unplug the battery
- Lift up the seat
- Use 4mm and 5mm Allen keys to remove all bolts on the floor plates, side panels and controller cover panel.
- Swap the Inline 7.5 Amp fuse (A) from the red wire connecting the Auxiliary Contactor to the key switch on truck with the 1 Amp (B) fuse from the retro-fit loom.
- Remove the key from the key switch.
- Remove the nut around the switch using adjustable pipe pliers.
- Pull the switch down through the dash, to access its wiring connections.
- Remove the wires from the switch.
- Fully remove the key switch from the truck.
- Cut the lugs off the brown and red key switch wires.
- Strip some PVC from the wires.
- Fit the clear plastic male cover over the red wire.
- Crimp a female terminal for black locking connection to the red stripped wire.
- Crimp female terminal for white connection to the brown stripped wire.
- Fit the key lock 26EE0163 to the key switch 26EE0162.
- Push up the key switch through the key switch hole from under the dash.
- Line the tab on the key lock with the cut out on the dash.
- Use the key switch locking nut to secure in position.
- Route the retro-fit loom from the key switch, through the truck towards the trucks contactors.
- Ensure the loom is routed under the chassis alongside the hydraulic hoses and wiring, preventing any damage to the loom when floor plates are re-fitted.
- Fit the white plastic male cover over the previously crimped brown wire terminal.
- Remove the M8 nut and washer from the end of the Auxiliary Contactor with a 13mm spanner.
- Fit the ring eyelet from the new loom to the contactor.
- Re-fit the nut and re-tighten.
- Remove the 2 plugs that are plugged into the sides of the auxiliary contactor.
- Remove the white male cover from the plug with 2 brown wires. (1.5mm, 2.5mm)
- Cut terminal off the 2 brown wires.
- Crimp terminal on the 2.5mm brown wire and the 1.5mm brown wire on the new retro-fit loom.
- Fit white plastic male cover over the previously crimped terminal.
- Plug both connections back into where they were previously removed from on the Auxiliary Contactor
- Using heat shrink wrap (supplied with kit), insulate unused 1.5mm brown wire, wire can then be pushed down the wire sleeve.
- Re-fit all panels and covers previously removed.
- If key switch now operates as required the procedure has been completed correctly.
NOTE: If carrying out this procedure on the MK1 Aisle-master please see below:
- There will be 2 brown and 2 red wires on the key switch which will need to be crimped and terminated together to connect to the retro fit loom (26EE0164).
- Connect the second separate red wire to the spade labelled P on the new key switch (26EE0162)
- The Auxiliary Contactor is located in the position circled.




